DZR Brass Metering Station, PN25, Threaded Ends

Description

Metering station constructed from dezincification-resistant (DZR) brass, providing excellent corrosion resistance and durability in potable water and industrial systems.
Designed for accurate flow measurement and control within pipeline networks, integrating essential components for reliable monitoring.
Rated PN25 for pressures up to 25 bar, suitable for medium to high-pressure applications.
Threaded ends ensure secure, leak-tight connections for straightforward installation and maintenance.

Features

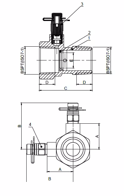
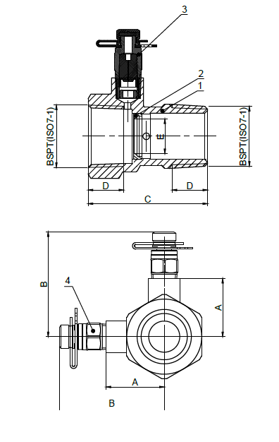
FEATURES / CHARACTERSTICS

Design: BS 7350
Rating: PN25
Connection: BSPT

DZR Brass Body,
Supplied with Red & Blue Test Points

WORKING  TEMPERATURE :

25 Bar -10° C to 100° C water

HYDROSTATIC TEST PRESSURE

Shell- 37.5 bar

ON REQUEST :

ANSI standards (subject to minimum order quantities).

Specification

Parts Material
Body
DZR Brass
Test Points
DZR Brass
Test Points
DZR Brass
Core
Brass
Mv60 300 dwg

Download

KV Value

Certificate

Manual

By Material Type

By Connection Type

By PN Rating

By Product Type